半岛外围网上直营

products

产品中心

产品类别

Category

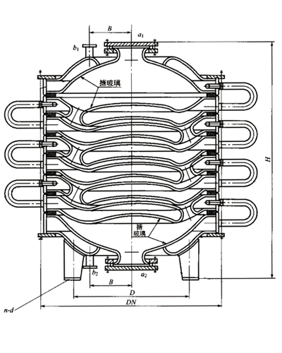
搪玻璃碟片式冷凝器

碟片式冷凝器的器内公称压力≤0.25MPa,夹层内公称压力≤0.25MPa,被冷凝介质温度 0-200℃。超出上述范围需定做。

扫一扫

浏览我司移动平台

江苏鑫科天建化工设备制造有限公司 版权所有(C)2024 网络支持 著作权声明 网站地图

boyu·博鱼网上靠谱买球(官方)网站/网页版登录入口/手机版登录入口-最新版(已更新) 188BET知名网上盘口(官方)网站/网页版登录入口/手机版登录入口-最新版(已更新) 188BET外围最大导航(官方)网站/网页版登录入口/手机版登录入口-最新版(已更新) 雷火竞技网上滚球(官方)网站/网页版登录入口/手机版登录入口-最新版(已更新) 永利知名足球网址(官方)网站/网页版登录入口/手机版登录入口-最新版(已更新) boyu·博鱼最火大全(官方)网站/网页版登录入口/手机版登录入口-最新版(已更新) 188BET正规足球大全(官方)网站/网页版登录入口/手机版登录入口-最新版(已更新) PM娱乐城外围足球网站(官方)网站/网页版登录入口/手机版登录入口-最新版(已更新)